重錘矩形鎖氣翻板閥
一、概述
重錘矩形鎖氣翻板閥既能卸料又能鎖風,是一種利用物料的自重進行自動卸灰裝置,采用錐型灰倉,帶斜角的密封面,卸灰徹底、無磨損、無其它傳動結構,可廣泛適用于冶金、化工、電力、輕工、建材、建筑、礦山、水泥、糧食、食品、工業、工程等行業。

該重錘鎖氣翻板卸灰閥采用鋼板焊接結構,配重桿自復位機構,結構緊湊,工作平穩可靠。重錘翻板閥設計新穎、結構簡單,是更新換代之優秀產品。其一般作為各類除塵設備的灰斗鎖氣卸灰裝置,及各種磨機、烘干機、料倉、筒庫和密閉式輸送系統的鎖氣、卸灰裝置等。
該重錘鎖氣翻板閥采用重錘自動復位機構,物料在重力作用下交替開閉自卸。具有轉動平穩、節能、卸灰量大小可調、卸灰鎖氣可靠之特點,是各種給、卸料工況的理想設備。

二、技術參數
.jpg)
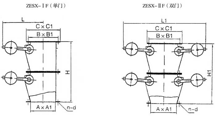
三、外形圖
.jpg)
.jpg)
四、主要外形連接尺寸
.jpg)


